



SD941X,SD943H電動法蘭式伸縮蝶閥
SD941X/SD943H電動法蘭式伸縮蝶閥具有自動補償管道熱脹冷縮方便裝卸的功能,使用于溫度在425℃以下,公稱壓力在1.6MPa以下的石油、化工、電力、造紙、給排水和市政建設等工業管道上作調節流量和載斷流體的最佳裝置。
| 產品名稱: | 電動法蘭式伸縮蝶閥 | 產品型號: | SD941X/SD943H |
| 公稱通徑: | DN40~DN2000 | 閥座密封: | 橡膠密封或金屬硬密封 |
| 公稱壓力: | 0.6MPa~1.0MPa~1.6MPa | 連接方式: | 法蘭式 |
| 適用溫度: | -30ºC~+425ºC | 驅動方式: | 手動、蝸輪、電動、氣動、液動 |
| 閥體材質: | 鑄鐵、球墨鑄鐵、鑄鋼、不銹鋼 | 制造標準: | 國標GB、德國DIN、美國API、ANSI |
| 適用介質: | 空氣、水、蒸氣、煤氣、油品等 | 生產廠家: | 上海凱利科閥門有限公司 |
| 工作壓力(MPa) | 0.6 | 1.0、1.6、2.5 | ||
| 適用溫度(℃) | 橡膠密封≤80℃ | 適用溫度(℃) | 金屬硬密封≤425℃ | |
| 適用介質 | 水、污水、油品、空氣等 | 適用介質 | 水、蒸汽、污水、油品、空氣等 | |
| 材料 | 閥體 | 灰鑄鐵 | 灰鑄鐵、鑄鋼 | 球墨鑄鐵 |
| 蝶板 | 球墨鑄鐵(表面處理) | 球墨鑄鐵、不銹鋼 | 球墨鑄鐵 | |
| 閥桿 | 2Cr13 | 不銹鋼、碳素鋼 | 鉻不銹鋼 | |
| 公稱通徑 | DN(mm) | 50~2000 | ||
| 公稱壓力 | PN(MPa) | 0.6 | 1.0 | 1.6 |
| 試驗壓力 | 強度試驗 | 0.9 | 1.5 | 2.4 |
| 密封試驗 | 0.66 | 1.1 | 1.76 | |
| 氣密封試驗 | 0.6 | 0.6 | 0.6 | |
| 適用溫度 | ≤80℃~425℃ | |||
| 適用介質 | 空氣、水、蒸氣、煤氣、油品等。 | |||
| 驅動形式 | 手動、蝸桿蝸輪傳動、氣傳動、電傳動。 | |||
| 執行器類別 | 引進型JOX系列執行器參數 | 引進型3610R系列執行器參數 | 引進型JHQ系列執行器參數 |
| 電源電壓 | 標準:220V AC單相 可選:110V AC 單相、380/440V AC 三相、24V/110V/220V AC | ||
| 輸出力矩 | 50N·M~2000N·M | 50N·M~1500N·M | 50N·M~3000N·M |
| 動作范圍 | 0~90° 0~360° | 0~90° | 0~90°、0°~270°可選 |
| 控制方式 | 開關到位燈(開關兩位控制)、無源觸點信號、1/5K電位計、智能調節(4~20mA模擬量信號控制) | ||
| 動作時間 | 15秒/30秒/60秒 | 10秒/15秒/30秒 | 18S~112S |
| 保護裝置 | 過熱保護 | 過載保護 | 內置過熱保護、過載保護 |
| 環境溫度 | -30°~60° | -30°~60° | -20℃~+70℃ |
| 手動操作 | 同附帶手柄操作 | 同附帶手柄操作 | 機械離合機構,配手輪操作 |
| 機械限位 | 電氣、機械二重限位 | 電氣、機械二重限位 | 2個外部調整螺栓 |
| 防護等級 | IP65 | IP55 | IP65、IP67、可定制IP68 |
| 防爆等級 | 無防爆 | ExdⅡ BT4 | ExdⅡ BT4,ExdⅡ CT6 |
| 位置測量 | 可選裝開關或電位計 | 比例控制單元 | 電位計、比例控制單元 |
| 驅動電機 | 8W/E | AC可逆電機 | 鼠籠式異步電機 |
| 進線接口 | PE1/2〞進線線鎖 | 2-PF 1/2〞進線線鎖 | 2個 PF 3/4” |
| 殼體材料 | 鋁合金 | 鋼,鋁合金 | 鋼,鋁合金,鋁青銅,聚碳酸脂 |
| 外涂層 | 干粉,環氧聚酯,具有超強防腐功能 | ||
|
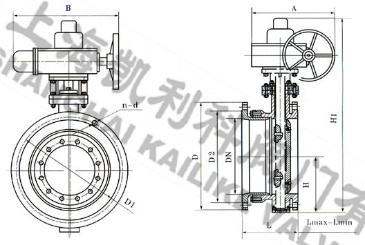
公稱 通徑 |
外形尺寸(參考值) | 法蘭尺寸和螺栓尺寸(標準值) |
電動 裝置 型號 (參考) |
||||||||||||||||||
| H | H1 | Lmax | Lmin | L | A | B | 0.6MPa | 1.0MPa | 1.6MPa | ||||||||||||
|
毫 米 |
英 寸 |
D | D1 | D2 | n-d | D | D1 | D2 | n-d | D | D1 | D2 | n-d | ||||||||
| 50 | 2 | 80 | 440 | 164 | 138 | 151 | 250 | 255 | 140 | 110 | 88 | 4-14 | 165 | 125 | 99 | 4-18 | 165 | 125 | 99 | 4-18 |
QB 10-1 |
| 65 | 21/2 | 95 | 445 | 190 | 154 | 172 | 250 | 255 | 160 | 130 | 108 | 4-14 | 185 | 145 | 118 | 4-18 | 185 | 145 | 118 | 4-18 |
QB 10-1 |
| 80 | 3 | 98 | 476 | 195 | 163 | 177 | 250 | 255 | 190 | 150 | 124 | 4-18 | 200 | 160 | 132 | 8-18 | 200 | 160 | 132 | 8-18 |
QB 10-1 |
| 100 | 4 | 114 | 504 | 227 | 184 | 206 | 250 | 255 | 210 | 170 | 144 | 4-18 | 220 | 180 | 156 | 8-18 | 220 | 180 | 156 | 8-18 |
QB 10-1 |
| 125 | 5 | 128 | 550 | 254 | 195 | 215 | 250 | 255 | 240 | 200 | 176 | 8-18 | 250 | 210 | 184 | 8-18 | 250 | 210 | 184 | 8-18 |
QB 20-1 |
| 150 | 6 | 139 | 652 | 240 | 201 | 225 | 300 | 315 | 265 | 225 | 199 | 8-18 | 285 | 240 | 211 | 8-22 | 285 | 240 | 211 | 8-22 |
QB 20-1 |
| 200 | 8 | 174 | 732 | 265 | 215 | 245 | 300 | 315 | 320 | 280 | 254 | 8-18 | 340 | 295 | 266 | 8-22 | 340 | 294 | 266 | 12-22 |
QB 60-1 |
| 250 | 10 | 215 | 823 | 295 | 235 | 265 | 300 | 315 | 375 | 335 | 309 | 12-18 | 395 | 350 | 319 | 12-22 | 405 | 355 | 319 | 12-26 |
QB 60-1 |
| 300 | 12 | 245 | 877 | 308 | 254 | 282 | 300 | 315 | 440 | 395 | 363 | 12-22 | 445 | 400 | 370 | 12-22 | 460 | 410 | 370 | 12-26 |
QB 120-1 |
| 350 | 14 | 270 | 932 | 325 | 271 | 300 | 300 | 315 | 490 | 445 | 413 | 12-22 | 505 | 460 | 429 | 16-22 | 520 | 470 | 429 | 16-26 |
QB 120-1 |
| 400 | 16 | 305 | 1047 | 345 | 283 | 314 | 300 | 315 | 540 | 495 | 463 | 16-22 | 565 | 515 | 480 | 16-26 | 580 | 525 | 480 | 16-30 |
QB 250-1 |
| 450 | 18 | 325 | 1092 | 370 | 314 | 340 | 575 | 714 | 595 | 550 | 518 | 16-22 | 615 | 565 | 530 | 20-26 | 640 | 585 | 548 | 20-30 |
QB 250-1 |
| 500 | 20 | 360 | 1182 | 377 | 316 | 346 | 575 | 714 | 645 | 600 | 568 | 20-22 | 670 | 620 | 582 | 20-26 | 715 | 650 | 609 | 20-33 |
QB 250-1 |
| 600 | 24 | 445 | 1380 | 446 | 388 | 417 | 656 | 810 | 755 | 705 | 667 | 20-26 | 780 | 725 | 682 | 20-30 | 840 | 770 | 720 | 20-36 |
QB 500-0.5 |
| 700 | 28 | 505 | 1502 | 445 | 395 | 425 | 656 | 810 | 860 | 810 | 772 | 24-26 | 895 | 840 | 794 | 24-30 | 910 | 840 | 794 | 24-36 |
QB 500-0.5 |
| 800 | 32 | 560 | 1545 | 479 | 425 | 455 | 656 | 810 | 975 | 920 | 878 | 24-30 | 1015 | 950 | 901 | 24-33 | 1025 | 950 | 901 | 24-39 |
ZA 60 |
| 900 | 36 | 630 | 1710 | 515 | 455 | 485 | 785 | 863 | 1075 | 1020 | 978 | 24-30 | 1115 | 1050 | 1001 | 28-33 | 1125 | 1050 | 1001 | 28-39 |
ZA 60 |
| 1000 | 40 | 680 | 1805 | 525 | 465 | 495 | 785 | 863 | 1175 | 1120 | 1078 | 28-30 | 1230 | 1160 | 1112 | 28-36 | 1255 | 1170 | 1112 | 28-42 |
ZA 60 |
| 1200 | 48 | 795 | 2096 | 574 | 512 | 542 | 785 | 863 | 1405 | 1340 | 1295 | 32-33 | 1455 | 1380 | 1328 | 32-39 | 1485 | 1390 | 1328 | 32-48 |
ZA 120 |
| 1400 | 56 | 900 | 2296 | 599 | 547 | 572 | 790 | 1338 | 1630 | 1560 | 1510 | 36-36 | 1675 | 1530 | 1530 | 36-42 | 1685 | 1590 | 1530 | 36-48 |
ZA 120 |
| 1600 | 64 | 1100 | 2720 | 640 | 589 | 615 | 868 | 1476 | 1830 | 1760 | 1710 | 40-36 | 1915 | 1820 | 1750 | 40-48 | 1930 | 1820 | 1750 | 40-56 |
ZA 240 |
| 1800 | 72 | 1124 | 2830 | 725 | 670 | 659 | 868 | 1476 | 2045 | 1970 | 1718 | 44-39 | 2115 | 2020 | 1950 | 44-48 | 2130 | 2020 | 1950 | 44-56 |
ZA 240 |
| 2000 | 80 | 1290 | 3120 | 764 | 680 | 722 | 965 | 1600 | 2265 | 2180 | 2125 | 48-32 | 2325 | 2230 | 2150 | 48-48 | 2345 | 2230 | 2150 | 48-62 |
ZA 240 |
聲明:【SD941X,SD943H電動法蘭式伸縮蝶閥】規格型號、結構尺寸由上海凱利科閥門有限公司提供,如何選擇適用的SD941X,SD943H電動法蘭式伸縮蝶閥產品,使之在工藝控制中安全可靠、經濟適用,可致電我司銷售部門及技術部門,我們將在最短的時間內為您解答! |